芯城品牌采购网 > 品牌资讯 > 技术方案 > 让仪器成为设计时的得力助手
芯城品牌采购网
24739
工程师通过仪器能够查看和了解不同电子、机械部分或整个系统内的情况。这些设备通过获取、分析和显示数据,让工程师可以监视和控制机械并进行所有必要的更正。在测试或原型制作过程中,仪器可帮助改进电路,让设计更新颖、更出色。
由于需要具有丰富功能和高可用性的高性能仪器来满足各种应用面临的设计挑战,我们将会介绍这些仪器为满足客户需求而需要具备的特性,然后研究仪表放大器这个关键设计组件的重要属性。
仪器不同,要求不同
不同的市场对仪器有不同的要求,军事市场更看重可靠性,消费市场更看重成本,医疗市场更看重安全性,而汽车市场则是综合看重上述所有要素。尽管如此,仍然有必要指出,为满足未来需求而设计的新仪器通常必须具有以下一项或多项特征:
• 速度更快:现代仪器面临的一个挑战是要在无损情况下收集大量信号,同时高效、高速地提取这些信号中隐含的信息。更快的测量速度也意味着必须要有足够的空间来存放在内存中收集的数据。这里最重要的参数之一是采样率,它与设备的模数转换器 (ADC) 采样信号的速度有关。
• 尺寸更小:设备小型化是仪器市场的新兴趋势之一。越来越多的功能被集成到越来越小的设计中,并且不影响测量精度。用于实验室基准测试的高通道数平台需要更小的外形尺寸。小型化仪器更容易嵌入到大型工业系统中。为医疗应用而设计的仪器也必须很小,以减小患者佩戴设备的物理尺寸和重量。
• 功耗更低:在不削减功能或增加放大器需求的情况下,与前代产品相比,新设备有望降低功耗。
• 对噪声和物理或电干扰的抵抗力更强:要求仪器在可能有噪声、振动和物理冲击的环境中工作,给设计人员带来了挑战。在工业应用中,模拟输入模块经常需要在具有极端温度和湿度,甚至可能有腐蚀性或爆炸性化学品的恶劣环境中获取和处理远程传感器传来的信号。如今,便携式仪器几乎强制要求有一个联网的用户界面 (UI) ,其在工作期间很可能会遭受极端温度以及湿度和物理应力的影响。
• 提高系统可靠性并减少维护停机时间:系统可靠性是最重要的,因为由于设备故障而造成的停机成本可能很高。例如,在海上作业的钻机上的电子组件发生故障,可能需要一天以上的时间才能取回和更换,在此期间,成本昂贵的深水钻机将无法工作。
• 尽量小的转换误差:比如低量化噪声。ADC的模拟输入是具有无限可能状态的连续信号, 而其数字输出则是具有不同状态的离散函数,其状态取决于设备的分辨率。在从模拟到数字的转换中,由输入端的不同电压表示的模拟信号部分可以在输出端用相同的数字代码表示。结果,一些信息丢失并且失真已经引入到信号中, 这被称为量化噪声。
• 更高的准确度和足够的带宽:准确度表示仪器忠实地显示被测信号值的能力。带宽表示输入信号能够以最小的振幅损失通过模拟前端的频率范围。
• 高效的散热设计:不得将散热元件放在对热敏感的组件附近,并且整个设备的气流必须充足。
一旦确定了仪器的工作条件和性能指标,就必须在框图中标识该设备的功能组件。必须选择合适的传感器、信号处理电路、数字和无源组件,以及电源。要满足这些需求,需要高性能组件的完整物料清单 (BOM),如模数转换器 (ADC) 和数模转换器 (DAC) 等。ADC用于将模拟信号(如温度传感器、无线电接收器或摄像头的输出)转换成数字信号进行处理。而DAC用于将数字信号转换回模拟信号。
许多应用都需要进行大量的信号调节,以减少噪声,增加动态范围并补偿传感器的非线性,仪器才能有效、准确地测量信号。例如,医疗仪器模拟前端中的信号调节要求在存在较大差分直流电势时检测小信号,这对产品设计提出了挑战。比如心电图 (ECG),采集和记录心脏的电活动(图1)。构成心脏细胞外壳的每个细胞膜都有一个相关的电荷,该电荷在每次心跳期间都会去极化。这些脉冲在皮肤上表现为微小的电信号,可被ECG检测到,转换为波形并放大。

图1:ECG设备的框图(图源:Texas Instruments)
这个过程中的一个关键元件 - 仪表放大器(或称in-amp),是一种特殊类型的放大器。它通常是测量前端的第一个组件,因此其性能对整个仪器的性能至关重要。
一般来说,从传感器获得的信号振幅非常小,因此必须先放大,然后才能进行处理和显示。简单来说,仪表放大器的功能就是从噪声环境中的压力或温度传感器以及其他信号源中提取感兴趣的小信号(大共模信号之上的差分信号),并放大两个输入信号电压之间的差值。
仪表放大器广泛用于医疗设备,例如ECG和EEG监护仪,血压监护仪和除颤器。可能使用仪表放大器的其他仪器应用示例包括音频(例如,作为麦克风前置放大器)、电缆射频 (RF) 系统中的高频信号放大,以及用于视频成像的高速信号调节。 通过测量三相交流电机的电压、电流和相位关系,仪表放大器还可用于电机监控(监测和控制电机速度、转矩等)。
仪表放大器和运算放大器之间的主要区别在于,运算放大器是一种开环设备, 而仪表放大器则带有一个预设的内部反馈电阻器网络,该网络与其输入端子隔离。与运算放大器一样,它的输出阻抗也非常低。
选择适合特定电路设计的仪表放大器需要清楚地了解其特性以及如何在产品数据手册中体现它们。 定义高品质仪表放大器的几个属性包括:
• 高共模抑制比 (CMRR):这是仪表放大器的基本品质因数。由于理想的仪表放大器只检测其输入之间的电压差,所以任何共模信号(两个输入的电位相等)在输入级都会被拒绝,并且不放大。事实上,仪表放大器对共模信号的抑制程度是通过CMRR测量的,CMRR就是仪表放大器的差分增益除以共模增益。 仪表放大器的CMRR至少应在需要抑制的输入频率范围内较高,总体而言,CMRR值越大越好。
• 低噪声:因为仪表放大器必须能够处理非常低的输入电压,所以仪表放大器一定不能在信号噪声中增加自己的噪声。显然,噪声值越小越好。仪表放大器的噪声性能通常随增益而提高,因此应在适当的增益下比较仪表放大器。
• 低输入失调电压和失调电压漂移:与运算放大器一样,仪表放大器必须具有低失调电压。电压偏移是误差的来源,并取决于放大器的拓扑;它的范围可以从几微伏到几毫伏。放大器的运行会随温度而变化。即便是高精度放大器,也容易受到温度漂移的影响。虽然可以通过外部调整来抵消失调电压,但无法调整失调电压漂移。与初始失调一样,失调漂移具有两个分量,仪表放大器的输入和输出部分各自贡献了误差的一部分。随着增益的增加,输入级的失调漂移可能成为失调误差的主要来源。
• 低增益误差:通常以最大百分比表示,代表特定放大器距离理想增益方程的最大偏差。仪表放大器的增益可以由制造商预设,也可以由用户使用外部增益电阻器设置,或者通过仪表放大器的某些引脚操控内部电阻器来设置。 电阻器网络中电阻器值和温度梯度的变化都可能导致增益误差。
• 低非线性:尽管可以校正输入失调误差,但非线性是固有的性能限制,不能通过外部调整来消除。非线性通常用满量程的百分比来表示,制造商在正负满量程电压和零时测量仪表放大器的误差。低非线性必须由制造商设计。
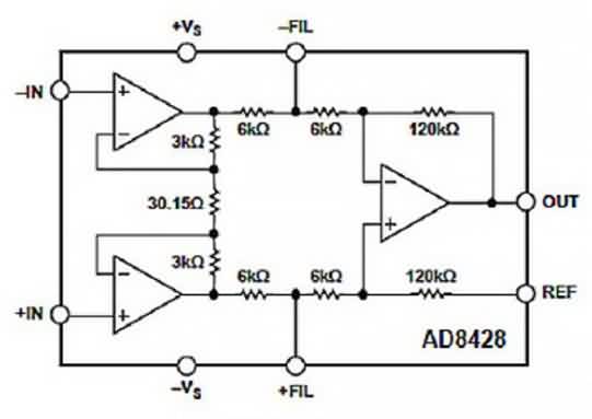
现在,我们来看一下在Mouser.com网站的“新品速递”部分找到的几个真实示例。Analog Devices的AD8428仪表放大器旨在精确测量微小的高速信号。它具有业界领先的增益精度 (0.2%)、噪声和带宽。ADI AD8428(图2)具有固定增益2000,是业界最快的仪表放大器之一。AD8428的高CMRR(最小值为130 dB),可防止有害信号破坏采集数据。器件的引脚排列旨在避免寄生电容失配,该失配会在高频下降低CMRR。据说该ADI器件非常适合用于传感器接口、医疗仪器和患者监护应用。

图2:AD8428的功能块(图源:Analog Devices)
Texas Instruments INA826精密仪表放大器具有极低的功耗,并能在很宽的单电源或双电源范围内工作。从负电源电压到1V正电源电压,整个输入共模范围内的共模抑制比均超过84dB。TI INA826使用轨到轨输出,非常适合从2.7V单电源以及高达±18V的双电源的低电压操作。TI INA826仪表放大器设计用于多种应用,包括工业过程控制、断路器、电池测试和ECG放大器。
结论
总而言之,为了应对市场上不同行业提出的设计挑战,电子仪器和测量设计正在突破性能、功率和集成功能的界限。本文介绍了现代仪器满足客户期望所需的特性,并研究了仪表放大器的重要特性。贸泽电子公司拥有大量的仪表放大器和其他部件及设计资源,可帮助工程师采集、监测、控制或测量不同信号、过程和协议。
免责声明:
文章内容转自互联网,不代表本站赞同其观点;
如涉及内容、图片、版权等问题,请联系2644303206@qq.com我们将在第一时间删除内容!